开关柜配电柜除湿装置
首页 -> 开关柜配电柜除湿装置查询
简介 | Description
智能型除湿装置是采用半导体制冷除湿方式,主动将密闭空间的潮湿空气在风扇的作用下吸入除湿风道,空气中的水汽经过半导体制冷机构后冷凝成水,再通过导水管排出柜体,可以达到很好的除湿效果。通过减低空气中含水量,使相对湿度和绝对湿度同时下降,几乎不提高温度,不产生温差带来的负面影响,从根本上杜绝或减少事故的发生,也不会因高温而加速柜内器件及柜体的老化。智能型除湿装置把被动防止凝露方式改为主动引导凝露,有效的防止柜内设备老化、绝缘强度降低、二次端子击穿、材料霉变及钢结构件锈蚀等安全隐患,保证电网安全运行。
技术指标 | Technical indicators
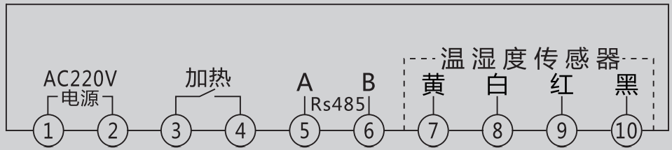
1 输入规格: 1路温湿度输入模块
2 测量范围:温度:0°C~100°C;湿度:0%RH~99%RH
3 基本误差
温度: +0.5°C(10°C~ 50°C) , +1°C(0°C ~ 100°C)
湿度: +3%RH(10%RH ~ 90%RH) , +5%RH(0%RH ~ 99%RH)
4 分辨力:温度0.1°C ,湿度0.1%RH
5 控制方式:位式控制
6 输出规格: 250VAC/3A或30VDC/3A
7 工作电源: 220VAC 50/60Hz,功耗< 80VA。
8 工作环境:温度0 ~ 50°C ,湿度≤85% RH的无腐蚀性场合。
9 除湿量:温度小于35度湿度大于80%RH时测量值。
70W 500ML/天, 60W 450ML/天
45W 350ML/天 ,30W 220ML/天
安装尺寸 | Installation dimensions

接线方式 | mode of connection

推荐阅读:
- LD-HCS1 配电箱除湿装置2025/10/30 23:53:15
- FQCS-8060T 开关柜配电柜除温器2025/10/30 23:44:02
- XY-8040W 智能智能除湿装置2025/10/30 23:44:02
- CG2000YT-30 智能智能除湿装置2025/10/30 23:44:01
- HC-CSS11-70 配电箱抽湿机2025/10/30 23:44:01
- MOV-6040TW 配电箱除湿装置2025/10/30 23:33:03
- BKS-E60 电柜防潮除湿装置2025/10/30 23:32:49
- ER-1382L 开关柜除湿装置2025/10/30 23:32:00
- LN8040H 电箱除湿器2025/10/30 23:31:47
- FQCS-BXG 电柜除湿装置2025/10/30 23:29:05
- GCE-8020TS 电柜除湿装置2025/10/30 23:25:59
- MOV-6030TW 配电箱除湿装置2025/10/30 23:23:27
- BTCS-L60 电柜除湿装置2025/10/30 23:22:46
- JXCS-B60 半导体智能除湿装置2025/10/30 23:14:46
- SEPRI-CS-NL(Ⅶ) 端子箱防凝露除湿装置2025/10/30 23:13:16
- XY-8060T 智能智能除湿装置2025/10/30 23:07:54
- XH-CS800 电柜除湿装置2025/10/30 23:07:54
- YNEN-CS3-120J 电柜防潮除湿装置2025/10/30 23:05:18
- ZH-8060 配电箱除湿装置2025/10/30 23:03:25
- SDCS-DZ04 开关柜防凝露除湿装置2025/10/30 22:59:59
- GY-CS820-L60 智能除湿装置2025/10/30 22:50:40
- ZD-8360C 开关柜除湿机2025/10/30 22:35:36
- ZN-770-40 智能除湿装置2025/10/30 22:34:07
- XY-8060TW 智能智能除湿装置2025/10/30 22:33:39
- GY-CS800 智能除湿装置2025/10/30 22:21:55
- XCSQ2-48D 配电箱除湿装置2025/10/30 22:08:37
- DH-2SA 电箱除湿器2025/10/30 21:58:00
- HBB-CS800 电箱除湿器2025/10/30 21:57:50
- MTS8060 开关柜配电柜除温器2025/10/30 21:57:34
- BDH-60 开关柜除湿装置2025/10/30 21:57:01
- BDH-50 电柜防潮除湿装置2025/10/30 21:56:47
- XY-8030TS 智能智能除湿装置2025/10/30 21:46:21
- BDH-300 开关柜除湿装置2025/10/30 21:38:42
- RT-CS-30 冷凝除湿装置2025/10/30 21:25:46
- ZD-558LB 开关柜除湿机2025/10/30 21:23:40
- CE-CS3KP 电柜防凝露除湿装置2025/10/30 21:22:35
- ZK-CS800 电箱除湿器2025/10/30 21:22:13
- HC-CSS11-60 配电箱抽湿机2025/10/30 21:22:06
- HLA-CS01-30R 配电箱除湿装置2025/10/30 21:16:22
- XCSQ2-24D 配电箱除湿装置2025/10/30 21:10:04
- FQCS-8060T-S 开关柜配电柜除温器2025/10/30 21:08:25
- HC-CSS11-70B 配电箱抽湿机2025/10/30 20:53:49
- GBD-60 开关柜配电柜除温器2025/10/30 20:50:09
- GBS-E30 配电箱除湿装置2025/10/30 20:20:05
- MOV-6030TS 配电箱除湿装置2025/10/30 20:19:44
- STCS60 环网柜除湿装置2025/10/30 20:19:34
- XY-8040 智能智能除湿装置2025/10/30 20:11:39
- JXCS-S60 半导体智能除湿装置2025/10/30 20:01:12
- SEPRI-CS-NL(B) 端子箱防凝露除湿装置2025/10/30 19:59:33
- GB-1382L 开关柜除湿装置2025/10/30 19:43:53
- GBC-E60 开关柜配电柜除温器2025/10/30 19:43:36
- GCE-8050S 配电箱除湿装置2025/10/30 19:36:25
- SD-7030W 高低压柜除湿装置2025/10/30 19:32:46
- HBB-CS/60W 电箱除湿器2025/10/30 19:31:23
- XQ-CS20C 电柜除湿装置2025/10/30 19:30:23
- YNC-8015 半导体智能除湿装置2025/10/30 19:30:13
- SLCS-302 开关柜配电柜除温器2025/10/30 19:22:26
- MOV-6060TS 配电箱除湿装置2025/10/30 19:21:57
- GBS-E60 开关柜配电柜除温器2025/10/30 19:13:17
- ZN-770A 电控柜智能除湿装置2025/10/30 19:08:57
- GC-8000 开关柜配电柜除温器2025/10/30 19:00:37
- GCE-8050T 电柜防潮除湿装置2025/10/30 18:58:15
- CE-CS3-15 电柜防凝露除湿装置2025/10/30 18:57:01
- SDD200 配电柜智能除湿装置2025/10/30 18:56:26
- GB-9030TW 开关柜配电柜除温器2025/10/30 18:54:30
- ZN-770D 电控柜智能除湿装置2025/10/30 18:53:04
- YCS50 智能智能除湿装置2025/10/30 18:52:35
- Yado-ECS-1/30 电箱除湿器2025/10/30 18:33:38
- SDCS8070T 电柜防潮除湿装置2025/10/30 18:33:27
- J2020-2 电柜防潮除湿装置2025/10/30 18:33:14
- MOV-6030T 配电箱除湿装置2025/10/30 18:30:58
- ZN-770-60 智能除湿装置2025/10/30 18:30:25
- CE-CS6-15 开关柜配电柜除温器2025/10/30 18:15:58
- BDH-30 开关柜除湿装置2025/10/30 18:08:16
- KB-WH-P001 高低压开关柜除湿装置2025/10/30 18:01:41
- ZRS-E60 电气控制柜智能除湿装置2025/10/30 18:00:04
- JXCS-M15 半导体智能除湿装置2025/10/30 17:59:36
- CE-CS3-120 电柜防凝露除湿装置2025/10/30 17:34:34
- KBT37-60 电柜防潮除湿装置2025/10/30 17:26:10
- CD-CS8000JY 智能除湿装置2025/10/30 17:23:50
- BKS-E30 电柜防潮除湿装置2025/10/30 17:02:34
- CG2000YT-60 智能智能除湿装置2025/10/30 16:59:34
- FQCS-8040T-S 开关柜配电柜除温器2025/10/30 16:50:04
- WA170 开关柜除湿装置2025/10/30 16:33:30
- BDH-40 开关柜除湿装置2025/10/30 16:33:20
- CSL-8000 智能除湿装置2025/10/30 16:20:41
- ZRD-30 半导体制冷除湿装置2025/10/30 16:20:13
- PSCS-40 电箱除湿装置2025/10/30 16:20:08
- GC-8060 开关柜配电柜除温器2025/10/30 16:05:33
- GCU-8060S 开关柜配电柜除温器2025/10/30 16:03:39
- MTS8040 开关柜配电柜除温器2025/10/30 16:03:39
- ZD-890C 开关柜除湿机2025/10/30 15:57:59
- DL-CS800 电箱除湿器2025/10/30 15:52:34
- CSL-8060S 电箱除湿装置2025/10/30 15:45:51
- IMS-PC 高低压开关柜除湿装置2025/10/30 15:41:09
- FQCS-8040T 开关柜配电柜除温器2025/10/30 15:22:43
- CG2000YT-35 智能智能除湿装置2025/10/30 15:22:14
- HC-CSS11-30 配电箱抽湿机2025/10/30 15:21:54
- FST-863 智能除湿装置2025/10/30 15:18:14
- GB-7040T 开关柜配电柜除温器2025/10/30 15:05:39